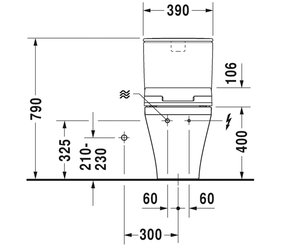
型号 216051
(无水箱), 美式座便器, 加长型带虹吸喷头, 仅能够与SensoWash®搭配使用, 305 mm/12" 坑距, 连接组件适用于带隐藏式连接件的 SensoWash®, 垂直出水
Matteo Thun & Antonio Rodriguez 设计
尺寸385 x 700 mm
可变形式
1.32/0.92 加仑/冲 (5/3.5 升), ADA-高度 2160512000