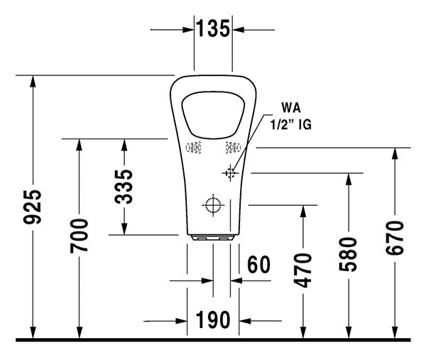
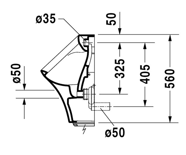
型号 280431 电子感应小便器适用于电池供电, 隐蔽式进水, 虹吸式, 水平出水, 包含整套控制件及配件 Matteo Thun & Antonio Rodriguez 设计 尺寸 300 x 340 mm 可变形式 无防溅图标 2804310000 带防溅图标 2804310007